LED全彩灯光控制系统的实现
背景
LED作为一种新型光源,以其低供电电压,低功耗,长寿命,无辐射的特点,在许多场合得到应用,随着近年来其亮度的不断提高,特别是超高亮LED的 出现,发光二极管得到了广泛的应用,从传统的仅作室内仪表信号指示,逐步发展到应用于交通信号灯、汽车信号灯、背光源、室内外大屏幕显示,以及目前正向照 明领域的深入。目前LED在照明领域的应用主要还集中在灯饰照明中。LED本身的致光特性,使其具有易控制,频闪快的特点,由此可以利用嵌入式微处理器, 按PWM(占空比)方式独立控制R(红),G(绿),B(蓝)发光灰度,从而实现全彩效果的LED灯光控制技术。由于采用超高亮LED的装饰照明灯具,其 亮度已达到要求,且它在寿命,功耗,控制花样等方面和霓虹灯相比具有十分明显的优势,目前已开始逐步推广,预计今后几年将会有比较大的发展。
控制单元
控制单元是指可独立变化出全彩色的灯具单元,也可称作像素。它至少应包含一只红色LED、一只绿色LED、一只蓝色LED,各颜色LED的数目根据 配色要求按一定比例构成。可将这些控制单元制作成单个灯具,亦可按一定形状或图案排列起来,形成线状或面状光源。需要注意的是,由三种颜色的LED构成的 一个单元,通常必须进行混光处理,否则不能看到理想的全彩效果。在同一个发光单元中LED应紧密排列,这样可使得各LED的光斑在观赏者眼中成像重叠;相 邻发光单元中心距应相同,并且该中心距满足:D≥2*L*tan(θ/2),式中D为相邻发光单元的最小中心距,L为正常使用时观看点与光源部位的垂直距 离,θ为人眼最小分辨角。这样通过控制电路可使灯具显示出丰富的色彩。通过控制系统独立控制每个发光单元中的三种发光二极管的灰度级别,亦即控制每个发光 单元中的红、绿、蓝三种颜色各自的亮度,就可使每个发光单元调配出多种不同的颜色,若在同一时间内控制不同的发光单元显示出不同的颜色,就可使灯具的整个 发光部位呈现出色彩斑斓的效果。目前出现的功能比较强大的控制系统,可通过软件设置每个控制单元的颜色值,根据系统的参数,设置各个颜色的灰度级别,一般 为256级(8位),目前具有代表性的有台湾点晶科技的一款DM413全彩LED阿驱动芯片,带有灰度发生器,默认为256级灰度,最高可设置为8192 级灰度,实现的效果极为细腻。单个DM413芯片只控制一个显示单元,使得每个控制单元的电路相同,而且非常简单,一次开发,重复使用。
控制系统结构
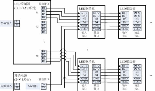
整个控制系统分为两个部分:控制器部分和LED驱动部分(见图1)。 控制器部分是系统的核心部分,它最基本的功能是将每个控制单元的颜色数据发送给相应控制单元,使所有单元相互配合,产生用户预想的效果;LED驱动部分的 功能是接收颜色数据并驱动LED按该数据所表示的亮度值显示。每个基于DM413的LED驱动模块,单独控制一个LED灯具单元,每个模块结构相同,与控 制器的连接方式也相同。系统采用串行级联的方式连接,每个模块具有输入和输出接口,前一模块的输出接口通过数据线与后一模块的输入接口连接,直到最后一个 模块为止。LED驱动模块(见图2)是以DM413为核心的电路,DM413具有若干信号输入输出引脚及多个功能设定引脚。信号通过输入接口给DM413 相应的输入引脚。3个输出引脚用于连接LED,可分配给R,G,B三个颜色,同一个输出引脚接相同颜色的LED,根据配色需要,每个输出引脚可接一个或多 个LED。输入的串行信号通过输出引脚发送出来,通过输出接口传到下一级芯片。


LED控制器内置高性能单片微型控制芯片,控制器通过内部控制程序向LED驱动芯片发送控制信号和数据,LED驱动芯片根据控制信号和数据的要求, 产生相应的动作,从而对每一路红、绿、蓝LED实现单独的控制。若微控制器连续地向一串LED驱动芯片发送控制信号和数据,则可使各LED受到连续的协调 控制。可将预想的变化效果转化成LED控制器可处理的数据格式及适当的控制指令,再连续地发送给各个LED驱动芯片,则可使整体灯饰表现出想要的效果。此 处,和控制器紧密配合,操作简便,功能强大的软件系统成为必要。以下先分析控制系统的原理。
控制器输出接口具有三条信号线:一条串行数据输出线,一条时钟信号输出线及一条锁存信号线。这三条线分别接到驱动芯片相应的3个引脚上。和一般的串 行移位机制相同,在时钟信号的控制下,串行数据在驱动芯片内部移位寄存,由于串行数据表示的是每种颜色的灰度级别,而不是简单的开关信号,所以芯片内部的 移位速率比7彩应用的芯片(如74HC595)要高很多。当数据发送接收完毕,控制器向驱动芯片发送锁存信号,使LED驱动芯片锁存已存储的数据, DM413在锁存的同时会根据所存储的数据驱动LED发光。有些芯片另有一个输出使能引脚,用于单独控制输出信号。LED发光灰度是由驱动芯片所存储的数 据决定的,全彩驱动芯片内置灰度产生器,采用PWM方式。该方式控制LED以人眼分辨不出的高频率快速亮灭,根据芯片所存储的数据设定亮和灭所占的比例, 即实现灰度级别的控制。DM413可选择三种灰度级别,8位(256),10位(1024)和13位(8192),即可使每种颜色产生256级(以256 级灰度为例)灰度等级,单独控制三种颜色的灰度,则可组合出256*256*256种(16777216种)颜色。将若干灯具单元排列起来,即可按这种方 式显示出细腻生动的图案,动画效果。
软件系统
软件系统是控制系统和灯光效果设计师的交互窗口,它具有十分重要的作用。软件系统的作用是让光效设计师通过简便的,人性化的操作编辑出预想的效果, 并转化为控制系统可接受的数据格式和控制指令。这些效果包含常规的颜色跳变,渐变,彩虹滚动等,也可能包含文字,图片的显示,视频,动画的播放等。软件系 统根据特定的效果,计算每个控制单元的颜色数据,最终生成用于控制器的光效文件。根据系统的联机或脱机特性,软件的使用略有不同。控制系统具有一套完善的 配套软件,可极大的简化光效的编辑,甚至完成一些人工无法完成的效果。
结束语
LED是一类可直接将电能转化为可见光和辐射能的发光器件,具有工作电压低,耗电量小,发光效率高,发光响应时间极短,光色纯,结构牢固,抗冲击, 耐振动,性能稳定可靠,重量轻,体积小,成本低等一系列特性,发展突飞猛进,现已能批量生产各种颜色的高亮度、高性能产品,随着发光二极管发光效率的提 高,再结合相应控制技术的进步,相信在不久的将来,LED光源会逐步取代传统的照明光源,而掀起一次照明领域新的革命。